Multi-Level-Topologien verbessern die Umrichterperformance aus Systemsicht
- Bessere Spannungsqualität: Durch die Verfügbarkeit von mehr Ausgangsspannungsleveln steigt die Ausgangsspannungsqualität und senkt damit die Verluste in der Last und den Filteraufwand
- Halbleiter mit besserer FOM: Multi-Level-Topologien ermöglichen den Einsatz von Halbleiterschaltern mit niedrigerer Sperrspannung. Typischerweise sinkt dabei das Ron x A überproportional und die Schaltverluste sinken.
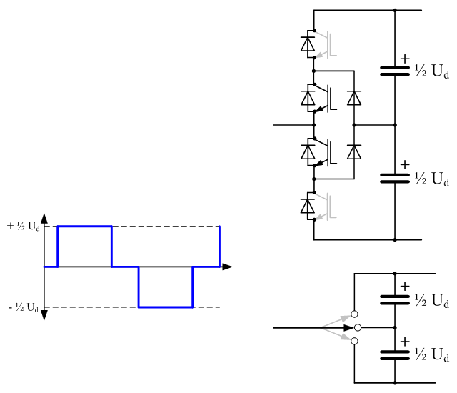
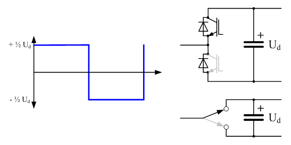
Die untenstehenden Animationen veranschaulichen, dass sich durch eine erhöhte Anzahl von Stufen (sog. Multi-Level-Technik) eine sinusförmige Ausgangsspannung selbst ohne zusätzliche Filterung wesentlich genauer approximieren lässt. Mit steigender Stufenzahl nehmen die harmonischen Verzerrungen deutlich ab.
Konventioneller 2-Level Umrichter:
Clampower, CC BY-SA 3.0, via Wikimedia Commons
3-Level Neutral Point Clamped Umrichter:
Clampower, CC BY-SA 3.0, via Wikimedia Commons
